Размер шрифта Цветовая схема Изображения
// / Примеры осуществлённых изобретений в деятельности промышленных предприятий РФ
Примеры осуществлённых изобретений в деятельности промышленных предприятий РФ

 

Номер патента на ИЗ

Название

Автор/ патентообладатель

Стадия коммерциализации*

Адрес для переписки

1

RU 2738389
https://www.fips.ru/cdfi/fips.dll/ru?ty=29&docid=2738389

Ветроэлектрический преобразователь энергии (варианты)

Николаев Олег Сергеевич

TRL2

420080, Рес. Татарстан, г. Казань, а/я 161, Николаеву О.С.

1.1

 

РЕФЕРАТ

Группа изобретений относится к ветроэлектрическому преобразователю энергии. Преобразователь содержит электрогенератор, включающий статор 1 и якорь 2, лопастной винт 7 и флюгер 9. Лопасти 8 установлены на ступице 11 с возможностью изменения угла наклона профиля лопастей 8 к плоскости вращения винта 7. Винт 7 выполнен с механизмом автоматического управления аэродинамическим сопротивлением винта 7 напору воздушного потока и установлен ступицей 11 на валу 12 якоря 2 посредством шлицевого или шпоночного подвижного соединения, подпружиненной конической пружиной 14 сжатия между диском 15 и концевым обтекателем 13, закрепленными на валу 12. Каждая лопасть 8 установлена подвижно на оси 10, неподвижно закрепленной в ступице 11, и снабжена рычагом 16 поворота, расположенным под углом к плоскости диска 15 и прижатым к нему свободным концом с помощью спиральной пружины 17, закрепленной на оси 10, с возможностью скольжения конца рычага 16 по диску 15, изменяющим угол наклона профиля лопастей 8 к плоскости вращения за счет смещения ступицы 11 в сторону диска 15 и обратно к обтекателю 13 по мере напора воздушного потока встречного ветра на винт 7. Изобретение направлено на повышение надежности работы за счет стабилизации давления ветра на вращающийся лопастной винт. 2 н. и 6 з.п. ф-лы, 4 ил.

 

 

 

 2

 

RU 2744220

https://www.fips.ru/cdfi/fips.dll/ru?ty=29&docid=2744220

Ветроколесо

Воробьев Сергей Сергеевич

TRL2

347386, Ростовская обл., г. Волгодонск, ул. Гагарина, 54, кв. 230, Воробьев Сергей Сергеевич

2.1

 

РЕФЕРАТ

Изобретение относится к ветроэнергетике и используется в ветроустановках для преобразования ветровой энергии в электрическую энергию. Конструктивное решение заключается в том, что усилие воздействия потока воздушной массы уменьшается с отдалением от оси вращения ветроколеса, что способствует уменьшению изгибающего момента лопасти и, следовательно, к уменьшению поперечного сечения лопасти в основании. С уменьшением усилия воздействия потока воздушной массы на лопасть, крутящий момент не имеет прямой зависимости, что видно на графике, а имеет синусоидальную зависимость. 10 ил.

3

 

RU 2758992
https://new.fips.ru/registers-doc-view/fips_servlet

ВЕТРОДВИГАТЕЛЬ

Шуваев Юрий Николаевич

TRL2

143409, Московская обл., г. Красногорск, ул. Ленина, 22, кв 109, Шуваеву Ю.Н.

3.1

 

РЕФЕРАТ

Изобретение относится к области машиностроения, в частности энергомашиностроения, и создания ветродвигательных установок (ВДУ). Ветродвигатель содержит ступицу, N лопастей, N электромагнитов, специальный тахогенератор, выпрямитель и симметрирующее устройство. Один конец сердечника электромагнита через шток и кронштейн связан с основанием лопасти, на другом конце сердечника закреплены возвратная пружина и регулировочная гайка, а к обмотке электромагнита через выпрямитель и симметрирующее устройство подключен выход трехфазного тахогенератора. При использовании изобретения достигается упрощение конструкции ВДУ и повышение ее надежности, а также обеспечение стабилизации скорости вращения ветроколеса и защиту элементов ВДУ от разрушения при сильных порывах ветра. 2 з.п. ф-лы, 9 ил. Ветродвигатель предназначен для работы в составе ВДУ, которая, кроме ВД, обычно содержит электрический генератор, мультипликатор (редуктор), соединительные муфты и другие механизмы, а также хвостовое устройство, платформу, мачту и т.д.

4

 

RU 2745840
https://new.fips.ru/registers-doc-view/fips_servlet

Ветроэнергетическая установка

Ревякин Владислав Анатольевич
Мусатов Вячеслав Юрьевич (RU), Пчелинцева Светлана Вячеславовна, Егоров Игорь Владимирович,
Патентообладатель:
СГТУ имени Гагарина Ю.А.

TRL2

410054, г. Саратов, ул. Политехническая, 77, СГТУ имени Гагарина Ю.А., Патентно-лицензионный отдел ЦТТ, Наумовой Е.В.

4.1

 

РЕФЕРАТ

Изобретение относится к области ветроэнергетики и может быть применено для выработки электроэнергии в условиях пульсаций скорости ветра. Ветроэнергетическая установка содержит ветроколесо, опорную башню, гондолу с электроагрегатом, поворотное основание, снабженное устройством ориентации на ветровой поток, выполненным в виде хвостовика двухкилевой схемы. Содержит систему защиты от урагана, включающую механическое пороговое реле и амортизатор, выполненную в виде хвоста с оперением - двумя лопастями, ориентированными по отношению друг к другу под углом 90 градусов; при этом одна из лопастей закреплена неподвижно, а вторая имеет возможность двигаться после срабатывания порогового устройства при достижении скорости ветра штормового значения; кроме того, амортизатор выполнен с возможностью обеспечения плавности хода подвижной лопасти благодаря возможности выбора величины демпфирования амортизатора. Техническим результатом от использования предлагаемого изобретения является повышение срока службы ветрогенераторов, что позволяет гораздо реже производить их обслуживание. 1 ил.

5

RU 2562660
https://new.fips.ru/registers-doc-view/fips_servlet

Опреснительная Установка с получением холода и электроэнергии (варианты)

Фирсова Екатерина Васильевна,
Ивонтьев Иван Александрович
Соколов Виталий Юрьевич (RU), Садчиков Алексей Викторович
Горячев Сергей Вениаминович, Наумов Сергей Александрович
Патентообладатель:
ФГБУ ВО "Оренбургский государственный университет

TRL2

460018, г.Оренбург, пр-кт Победы, 13, ОГУ, патентный отдел

5.1

РЕФЕРАТ

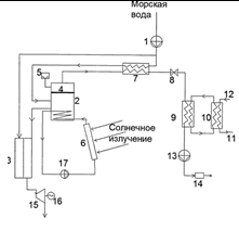
Изобретение относится к области энергетики, предназначено для одновременного получения пресной воды, холода и электроэнергии. Достигаемые технические результаты - более высокая экономия потребляемой электроэнергии, вплоть до полной компенсации энергозатрат на собственные нужды установки, сопровождающаяся снижением количества выбросов токсичных и парниковых газов судовой энергетической установки, больший коэффициент полезного действия, а также возможность получать холод - получены путем совмещения процесса опреснения воды с получением холода и электроэнергии. 3 н.п. ф-лы, 3 ил

6

 

RU 2535227
https://new.fips.ru/registers-doc-view/fips_servlet

Биогибрид
ный композиции
онный материал

Дедов Алексей Георгиевич, Иванова Екатерина Александровна
Белоусова Елена Евгеньевна
Кащеева Полина Борисовна Карпова Елена Юрьевна Идиатулов Рафет Кутузович Кирпичников Михаил Петрович Лобакова Елена Сергеевна Васильева Светлана Геннадьевна Дольникова Галина Александровна
Патентообладатель:
ФГБОУ ВПО  высшего "Российский государственный университет нефти и газа имени И.М. Губкина

TRL3

 

119991, Москва, ГСП-1, В-296, Ленинский пр-кт, 65, РГУ нефти и газа имени И.М. Губкина, отдел защиты интеллектуальной собственности

6.1

 

РЕФЕРАТ

Изобретение относится к безотходной очистке от аварийных разливов нефти и нефтепродуктов природных и искусственных водоемов, сточных вод, жидких отходов производств, твердых поверхностей, а также в качестве превентивной меры. Сорбент включает термопластичный полимер с волокнообразующими свойствами, полученный аэродинамическим формованием. Наполнитель представляет собой нестерильные растения рода Сфагнум (Sphagnum), инкорпорированный в термопластичный полимер в процессе его аэродинамического формования в количестве 10-50% от массы термопластического полимера, и иммобилизованные клетки ассоциаций бактерий-нефтедеструкторов. Изобретение заключается в упрощении состава материала при сохранении высоких эксплуатационных характеристик. 1 з.п. ф-лы.
Пример. Для деградации нефти и нефтепродуктов донных отложений используют биогибридный композиционный материал на основе сополимера акрилонитрила с метилакрилатом. Данный композиционный сорбент содержит 10% высушенного и измельченного растения рода Сфагнум (Sphagnum) - Сфагнума компактного (Sphagnum compactum) от массы термопластичного полимера и 100% иммобилизованных клеток ассоциаций бактерий-нефтедеструкторов, в качестве которых используют двухкомпонентную биологическую ассоциацию, основу которой составляют грамположительные бактерии рода Rhodococcus sp. шт.7 и подвижные грамотрицательные бактерии рода Pseudomonas.

7.

RU 2743096
https://new.fips.ru/registers-doc-view/fips_servlet

Установка фильтровальная

Рудаков Даниил Валерьевич
Ордон Сергей Федорович, Нечаев Олег Александрович
Патентообладатель:
ООО  "Объединенная Компания РУСАЛ
Инженерно-технологический центр"

TRL7

 

660111, г. Красноярск, ул. Пограничников37, стр. 1, ООО "РУСАЛ ИТЦ", Панова Светлана Александровна

7.1

 

РЕФЕРАТ

Изобретение относится к области обогащения сырья в горнодобывающей, химической и других отраслях промышленности, где нашли применение вакуум-фильтры с приводом вращения, например, в цветной металлургии при подготовке сырья в технологическом процессе получения глинозема. Установка фильтровальная содержит вакуум-фильтр (1), распределительное устройство (16), ресивер для сепарации фильтрата (2, 3) и ловушку остаточной капельной жидкости (4), соединенные между собой трубопроводами, сборник фильтрата (7), соединенный с ловушкой (4) и ресивером вертикальными трубопроводами гидростатического стока (12-14). Распределительное устройство (16) снабжено отводящим трубопроводом (11), соединенным с корпусом ресивера (3) и выполненным под углом относительно горизонтальной оси распределительного устройства (16) с возможностью направления потока фильтрата сверху вниз, при этом на трубопроводе (9) посредством запорно-регулируемого элемента закреплено устройство автоматического регулирования вакуума (17), выполненное с возможностью поддержания постоянной величины вакуума в распределительном устройстве (16) в зоне образования осадка. Использование изобретения позволит получить продукцию с минимальным содержанием влаги в осадке (кеке) при одновременном исключении заброса фильтрата вместе с воздухом через ловушку в вакуум-насос. 1 з.п. ф-лы, 2 ил.

8

RU 2786927
https://new.fips.ru/registers-doc-view/fips_servlet

Способ увеличения нефтеотдачи месторождений тяжёлых нефтей и битумов, обеспечивающий добычу облагороженной нефти и водородсодержащего газа

Афанасьев Павел Аркадьевич Черемисин Алексей Николаевич
Попов Евгений Юрьевич
Патентообладатель:
Автономная некоммерческая образовательная организация высшего образования "Сколковский институт науки и технологий"

TRL4

 

121205, Москва, тер. Инновацион
ного центра "Сколково", ул. Луговая, 4, корп. 2, ООО "ЦИС "Сколково", Котлов Дмитрий Владимирович

8.1

 

РЕФЕРАТ

Чистый водород может быть добыт посредством внедрения в добывающую скважину водород-селективной мембраны, либо в результате выделения нежелательных газовых компонентов - оксидов углерода, азота и серы из синтетической газовой смеси (водородсодержащего газа) на поверхности, с реализацией закачки парниковых газов назад в пласт. При этом полученный водород можно будет отнести к «голубому» по международной классификации. Такой водород может быть использован в качестве экологически чистого топлива для обеспечения работы энергоустановок на месторождении и снижения общего углеродного следа от использования углеводородов в качестве энергоносителей. Или водород может быть транспортирован и использован в качестве сырья для нефтепереработки или топлива для газовых турбин, высокоэффективных топливных ячеек и др.
Технический результат - увеличение нефтеотдачи в разрабатываемых истощённых и уже оставленных по причине высокой обводнённости месторождениях, каталитическое внутрипластовое облагораживание добываемого углеводородного сырья, получение водорода в месторождении углеводородов, что обеспечивает возможность одновременной добычи водородсодержащего газа. В способе увеличения нефтеотдачи месторождений тяжелых нефтей и битумов, обеспечивающем добычу облагороженной нефти и водородсодержащей газовой смеси, включающем использование уже имеющихся или организацию по меньшей мере двух скважин: нагнетательной и добывающей скважин, нагнетательную скважину последовательно закачивают в пласт: водный раствор прекурсора металлсодержащего катализатора из группы переходных металлов, разложение которого происходит при температурах ниже 600°С, или комбинацию водных растворов прекурсоров металлсодержащего катализатора из группы переходных металлов, разложение которых происходит при температурах ниже 600°С; перегретый водяной пар для продавливания указанного прекурсора катализатора в пласт в направлении добывающей скважины и формирования твердых частиц активного катализатора, а также предварительного разогрева активной зоны пласта; и окислитель, выбранный из группы: кислород, обогащенный кислородом воздух или синтетическая газовая смесь, содержащая кислород. Далее реализуют поджиг полученной смеси нефти и окислителя в пласте с осуществлением процесса внутрипластового горения нефти. Дополнительно осуществляют циклическую поочередную закачку перегретого пара и указанного окислителя с целью интенсификации процессов облагораживания нефти и генерации водорода и вытеснения облагороженной нефти и водородсодержащей газовой смеси в направлении добывающей скважины. Добывают облагороженную нефть и водородсодержащую газовую смесь. Выделяют из добытой водородсодержащей газовой смеси парниковые газы и закачивают их назад в пласт через нагнетательную скважину. 3 з.п. ф-лы, 1 ил

9

RU 2803731
https://new.fips.ru/registers-doc-view/fips_servlet

Способ выделения водорода из метана или метаносодержа
щего газа

Сачков Виктор Иванович, Нефедов Роман Андреевич
Медведев Родион Амеличкин Иван
Патентообладатель:
ООО "Научно-технический центр "Реагенты Сибири"

TRL4

634009, г. Томск, пер. Дербышевский26 Б, оф. 6010, "ПКФ СИСТЕМА", Спивакова Лариса Николаевна

9.1

 

РЕФЕРАТ

Изобретение относится к технологиям производства водорода. Задачей настоящего изобретения является разработка способа получения водорода из метана или метаносодержащего газа, который не требует очистки и может быть непосредственно использован для питания водородных топливных элементов, рабочий металл подлежит многократному использованию, в совокупности, это существенно снижает себестоимость вырабатываемой электроэнергии. Поставленная задача решается тем, что способ выделения водорода из метана или метаносодержащего газа, включает разложение метана, но в отличие от прототипа осуществляют получение гидрида металла типа МеНх, его взаимодействие с метаном при температуре менее 20°С, с образованием комплексного гидрида типа MeHx ⋅ nCH4, последующее его разложение в области температур 20 - 350°С с выделением водорода и образованием солеобразного карбида металла с ионной связью типа МеСу, с последующим взаимодействием с водой при образовании смеси углеводородов, водорода и соответствующего гидроксида металла Ме(ОН)z, металл из которого восстанавливают с последующим возвращением в процесс для получения исходного гидрида металла МеНх.

10

RU 2798583
https://new.fips.ru/registers-doc-view/fips_servlet

http://www.oskbes.ru/au30.html

Дирижабль для междугородних авиаперевозок различной дальности

Лиманский Адольф Степанович
Сейфи Александр Фатыхович
Патентообладатель:
ФГБОУ ВО "Казанский национальный исследовательский технический университет им. А.Н. Туполева - КАИ"

TRL3

420111, г. Казань, ул. К. Маркса, 10, ФГБОУ ВО "КНИТУ-КАИ", Лустина Александра Алексеевна

10.1

 

РЕФЕРАТ

Изобретение относится к летательным аппаратам легче воздуха, областью применения предлагаемого изобретения является авиационный транспорт местного, межрегионального сообщения. Дирижабль содержит отсеки, заполненные легким газом, с компрессорами перекачки газа из одних отсеков в другие, крылья, отсек с основным винтом тяги двигателя, устройства пилотирования и подруливания дирижабля, корпуса для размещения полезной нагрузки и агрегатов функционирования рабочих систем дирижабля, кабину пилота. При том крылья, разделенные отсеком двигателя, снабжены шарнирами поворота в верхнее положение, содержат внутри себя отсеки, заполненные легким газом и выполнены таким образом, что их суммарная подъемная сила уравновешивает массу летательного аппарата без полезной нагрузки. Центральный отсек с легким газом связан с корпусами размещения полезной нагрузки и агрегатов функционирования рабочих систем дирижабля. Двигатель выполнен с возможностью поворота основного винта в вертикальной плоскости на угол до 90°. Привод основного винта содержит электродвигатель, связанный по электрической линии с двумя водородными топливными элементами, соединенными с двумя блоками подготовки воздуха и содержащегося в двух баках водородосодержащего компонента. Техническим результатом предлагаемого изобретения является снижение взлетной массы за счет уменьшения объемов отсеков с легким газом, увеличение коэффициента полезной нагрузки, уменьшение площади парковочного места и упрощение процедуры парковки дирижабля. 2 ил.

11

RU 2691386
https://new.fips.ru/registers-doc-view/fips_servlet

Зарядная станция для электрического транспорта

Григорьев Александр Сергеевич
Григорьев Сергей Александрович
Мельник Дмитрий Александрович
Филимонов Михаил Николаевич
Лосев Остап Геннадьевич
Патентообладатель:
ФГБУ  "Национальный исследовательский центр "Курчатовский институт"

TRL6

 

123182, Москва, пл. Академика Курчатова, 1, НИЦ "Курчатовский институт", зам. директора по международной деятельности М.В. Попову
Лицо, которому предоставлено право использования: ООО "РАОТЕХ"

11.1

 

РЕФЕРАТ

Изобретение относится к области электротехники, в частности к системам зарядки гибридного и/или электрического транспорта. Техническим результатом является возможность зарядить несколько электрических легковых и грузовых автомобилей, а также автобусов/электробусов, без подключения к воздушным проводным или кабельным электросетям большой мощности. Для этого предложена зарядная станция электрического транспорта, содержащая, по меньшей мере, три зарядных блока, каждый из которых соединен с отдельным модулем накопления энергии, которые последовательно соединены через контроллер заряда и распределения электроэнергии, соединенный через средство контроля и учета электроэнергии с внешней электросетью, с отдельными модулями генерации, выполненными соответственно на солнечных батареях, на по меньшей мере одном ветрогенераторе, на водородных топливных элементах и модуле на привозных топливных элементах, контроллер заряда и распределения соединен с электролизером, который отдельными трубопроводами соединен с резервуаром с водой, и через резервуар с водородом с модулем генерации на водородных топливных элементах, соединенным трубопроводом с резервуаром с водой, модуль генерации на привозном топливе через трубопровод соединен с топливным резервуаром. 2 з.п. ф-лы, 1 ил.


*Уровни технологической готовности (УГТ/TRL).